
Cold glue detection sensors
Seamless monitoring of production is essential to ensure product quality.
Baumer hhs Xcheck sensor and camera solutions are an elementary part of quality assurance in packaging production.
In many applications, Baumer hhs QA products have long been the international standard.
100% quality with Xcheck!

Cold glue detection in perfection.
With the completely newly developed GDX 1000 adhesive sensor, based on thousands of installations, Baumer hhs provides its customers with the right quality assurance tool for future requirements.
Take your production to the next level.
- Reduced set-up times
- Early detection of emerging defects
- Reliable monitoring of adhesive-free areas
- Easy set up
- Set up and check the sensor on the control unit
- Scanning frequency 20kHz

Technical Data
| Specification | Value | Unit |
|---|---|---|
| Operating voltage | 24 +- 20% | VDC |
| Power consumption, maximum | 150 | mA |
| Measurement principle | Infrared measurement | - |
| Scanning frequency | 20 | kHz |
| 50 | µs | |
| Minimum monitorable dot size | 1 x 1 | mm |
| Spot size | 5 x 1,6 | mm |
| Measuring distance to product | 25 +- 5 | mm |

Especially for use with multipoint gluers
The ULT 400 XL is specially designed for use in multipoint gluers.
The specially developed optics allow a greater distance to the product. This is particularly advantageous with thicker cardboard and corrugated board.
- Measuring distance 62.5 ± 12.5 mm

A Sensor, but camera like
The PGD 1000 is the new benchmark in glue detection for corrugated production.
Designed for the upcoming challenges of the industry.
- 100% detection of cold glue
- No optical brighteners are needed in the adhesive
- Regardless of whether the substrate is printed or not

Technical Data
| Specification | Value | Unit |
|---|---|---|
| Operating voltage | 24 ± 20 % | VDC |
| Power consumption maximum | 150 | mA |
| Measuring principle | Infrared measurement | - |
| Scanning frequency | 10 | kHz |
| Minimum dot size | 1x1 | mm |
| Viewing widht | ~ 55 | mm |
| Measurement distance to product | 25 ± 5 | mm |
| Protection class | IP 64 |

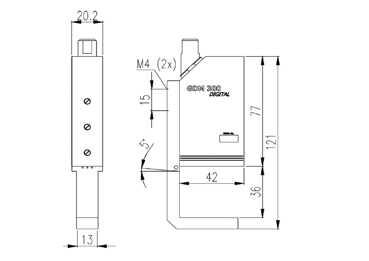
Cold glue detection on metallised substrate
Finishing is all around us in folding carton production. The GDM-300 is specially designed for adhesive detection on metallised board surfaces.
- Special application
- Foil finishing
- Precise adhesive detection

Technical Data
| Specification | Value | UNit |
|---|---|---|
| Operating voltage | 10 - 30 | V |
| Power consumption 12 V | 200 | mA |
| Power consumption 24 V | 100 | mA |
| Spot size | 8 | mm |
| Measuring distance to product | 25 ± 5 | mm |
| Scanning frequency | 10 | kHz |
| Protection class | 64 | IP |

Checking disc glue application
With the LNT-300, Baumer hhs provides all users of disc gluing systems with a reliable solution for inspection.
The sensor reliably detects the adhesive and is thus part of the quality monitoring in straightline production.
- Easy set up
- Reliable at all machine speeds
- Adjustable via Baumer hhs control units


